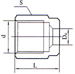
说明: 本系列管接头适用于铜管、尼龙管、塑料管的连接。 性能规范: □公称压力:1.0MPa、1.6MPa; □配管外径:钢管、尼龙管、铜管:6--16; □塑料管:¢6x1 ¢8xl; □适用温度:≤150℃; □适用介质:非腐蚀性气体等; □制造材料:H62 1Crl8Ni9Ti; □适用...
说明: 本系列管接头适用于铜管、尼龙管、塑料管的连接。 性能规范: □公称压力:1.0MPa、1.6MPa; □配管外径:钢管、尼龙管、铜管:6--16; □塑料管:¢6x1 ¢8xl; □适用温度:≤150℃; □适用介质:非腐蚀性气体等; □制造材料:H62 1Crl8Ni9Ti; □适用...
说明: 本系列管接头适用于铜管、尼龙管、塑料管的连接。 性能规范: □公称压力:1.0MPa、1.6MPa; □配管外径:钢管、尼龙管、铜管:6--16; □塑料管:¢6x1 ¢8xl; □适用温度:≤150℃; □适用介质:非腐蚀性气体等; □制造材料:H62 1Crl8Ni9Ti; □适用...
说明: 本系列管接头适用于铜管、尼龙管、塑料管的连接。 性能规范: □公称压力:1.0MPa、1.6MPa; □配管外径:钢管、尼龙管、铜管:6--16; □塑料管:¢6x1 ¢8xl; □适用温度:≤150℃; □适用介质:非腐蚀性气体等; □制造材料:H62 1Crl8Ni9Ti; □适用...
说明: 本系列管接头适用于铜管、尼龙管、塑料管的连接。 性能规范: □公称压力:1.0MPa、1.6MPa; □配管外径:钢管、尼龙管、铜管:6--16; □塑料管:¢6x1 ¢8xl; □适用温度:≤150℃; □适用介质:非腐蚀性气体等; □制造材料:H62 1Crl8Ni9Ti; □适用...