

钢制卡套式管接头具有连接牢靠、耐压能力高、密封性和反复性好、安装检修方便、工作安全可靠等特点。
性能规范
□ 制造标准:GB3733.1~3765-83;
□ 公称压力:25MPa.40MPa;
□ 适用温度:≤450℃;
□ 适用介质:油、水、气等非腐蚀性或有腐蚀性介质;
□ 制造材料:20#,1Cr18Ni9Ti,oCri8Ni12Mo2Ti,316L;
□ 配管:Φ4~Φ42的普通级精度无缝钢管;
□ 锥管螺纹:ZG,ZM,NPT等。
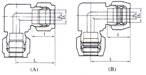
|
Do |
do |
L
|
I |
代 号Code No |
|
4 |
3 |
28 |
16 |
YZG1-10A-ф4 |
|
5 |
3.5 |
28 |
16 |
YZG1-10A-ф5 |
|
6 |
4 |
29 |
16 |
YZG1-10A-ф6 |
|
8 |
6 |
33.5 |
20.5 |
YZG1-10A-ф8 |
|
10 |
8 |
36.5 |
20.5 |
YZG1-10A-ф10 |
|
12 |
10 |
38.5 |
23.5 |
YZG1-10A-ф12 |
|
14 |
12 |
40.5 |
24.5 |
YZG1-10A-ф14 |
|
16 |
14 |
42.5 |
25.5 |
YZG1-10B-ф16 |
|
18 |
15 |
43.5 |
25.5 |
YZG1-10B-ф18 |